Insert slot 2 x 4 for quick mounting, Zinc die zinc-plated
Insert slot 2 x 4 for quick mounting, Zinc die zinc-plated
Compression latch, square 8, Stainless steel AISI 316
Compression latch, square 8, Stainless steel AISI 316

Compression latch, square 8, Zinc die black powder-coated; 1000-U981

https://www.emka.com/products/1000-u981 https://www.emka.com/web/image/product.template/206003/image_1920?unique=909de09

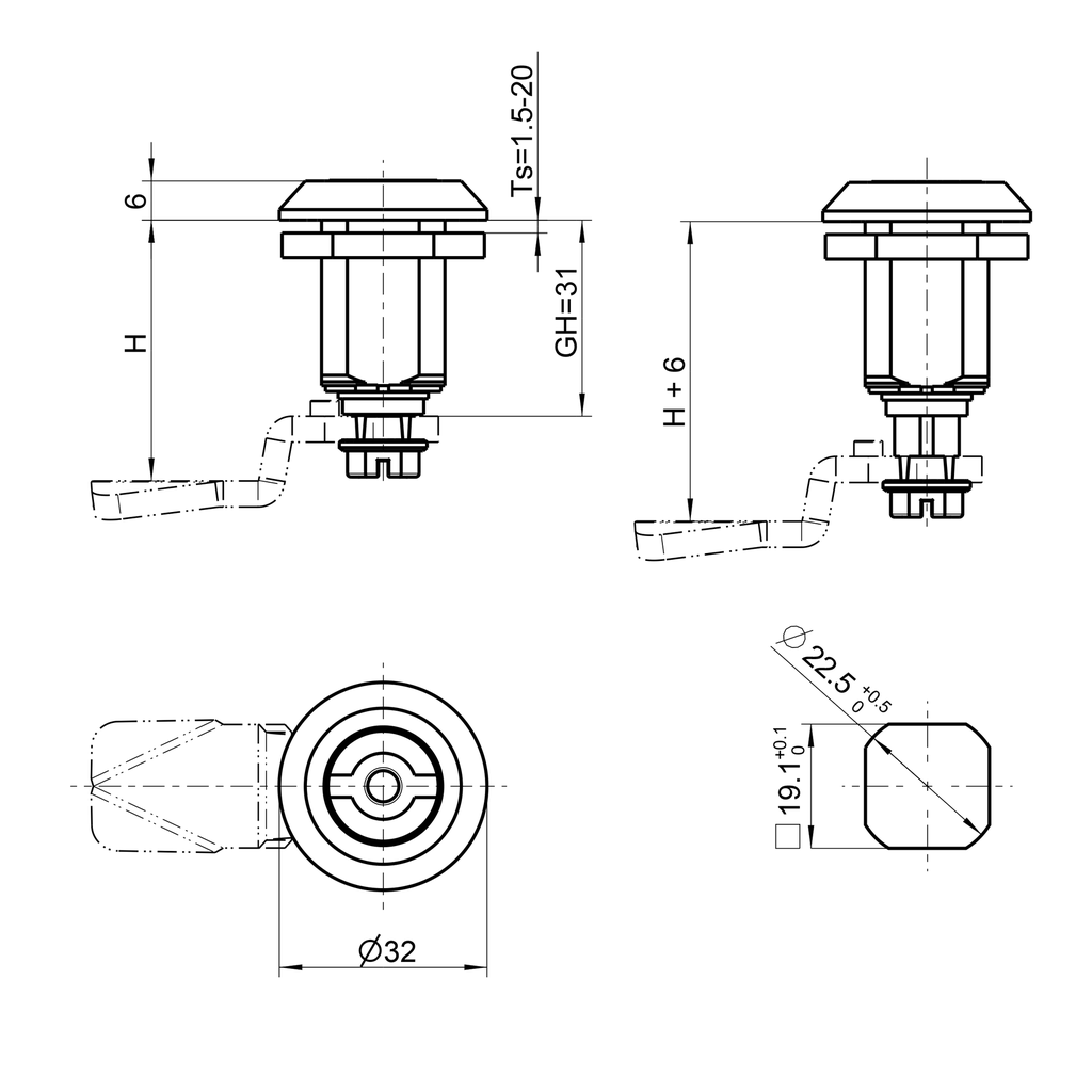
with nut, for cut out square 19.1 mm


    This combination does not exist.

    Inside the sealing Foamed seal Protection class IP 65 DIN EN 61373 (shock and vibration testing) Left Right


    Product information:

    Attention: Compression latch is for cut out with aquare 19.1 mm The compression latch is designed to be vibration-proof as such. Depending on the installation location and operational conditions specific checks are necessary and/or supplementary measures of fastening required.

    Internal Reference: 1000-U981
    Standards: Protection class IP 65, DIN EN 61373 (shock and vibration testing)
    Barcode: 1000-u00981-0000000
    Product Type: Quarter turn
    Program: 1000
    Catalog sheet: 1B-220
    Material of the module : Zinc die
    Surface of the module: black powder-coated
    Number of Possible Locking Points: 1 point
    Fixing type of housing : nut fixing
    Type of actuation: Square 8
    Mounting Positions : Inside the sealing
    Housing Head Shape: Round
    Housing Head Size: 32 x 6 mm
    Foamed gasket: Yes
    GH Mass: 31 mm
    Compression Value : 6 mm
    Suitable for door thickness from: 1.50 mm
    Suitable for door thicknesses up to: 20 mm
    Locking set: Insert
    Door Version : Left,Right
    Locking components: Cam
    Quarter turn types: Compression latch with insert
    No Specifications
    View All Products
    Cam
    Assembly
    Here you can find the product data sheets and CAD files of this product