3-Point cam, Steel zinc-plated
3-Point cam, Steel zinc-plated
3-Point cam, Steel zinc-plated
3-Point cam, Steel zinc-plated

3-Point cam, Steel zinc-plated; 1000-U31

https://www.emka.com/products/1000-u31 https://www.emka.com/web/image/product.template/59908/image_1920?unique=bdf52b3

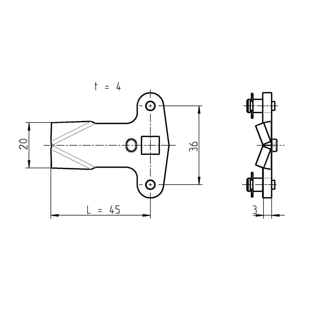
Offset h = 8 mm


    This combination does not exist.

    Inside the sealing


    Internal Reference: 1000-U31
    Barcode: 1000-U00031-0000000
    Product Type: Cam
    Program: 1000
    Catalog sheet: 3YB-440
    Material of the module : Steel
    Surface of the module: zinc-plated
    Number of Possible Locking Points: 3 point
    Mounting Positions : Inside the sealing
    Stroke of the drive: Stroke 18 mm
    Compression Value : 3 mm
    Offset: positive
    offset of cam: 8 mm
    Dimension L: 45 mm
    Spoon: Yes
    Dimension t: 4 mm
    No Specifications
    View All Products
    Housing
    Rod
    Ramp
    Quarter turn
    Adapter for round rod
    Bearing bush
    Here you can find the product data sheets and CAD files of this product