Catch, Zinc die black powder-coated
Catch, Zinc die black powder-coated
Compression latch version railway with outer rack, left version, Stainless steel AISI 316
Compression latch version railway with outer rack, left version, Stainless steel AISI 316

Shoe for round rod, Polyamide GF black; 1000-526-AA

https://www.emka.com/products/1000-526-aa https://www.emka.com/web/image/product.template/303295/image_1920?unique=ddb3104


    This combination does not exist.

    Inside the sealing


    Product information:

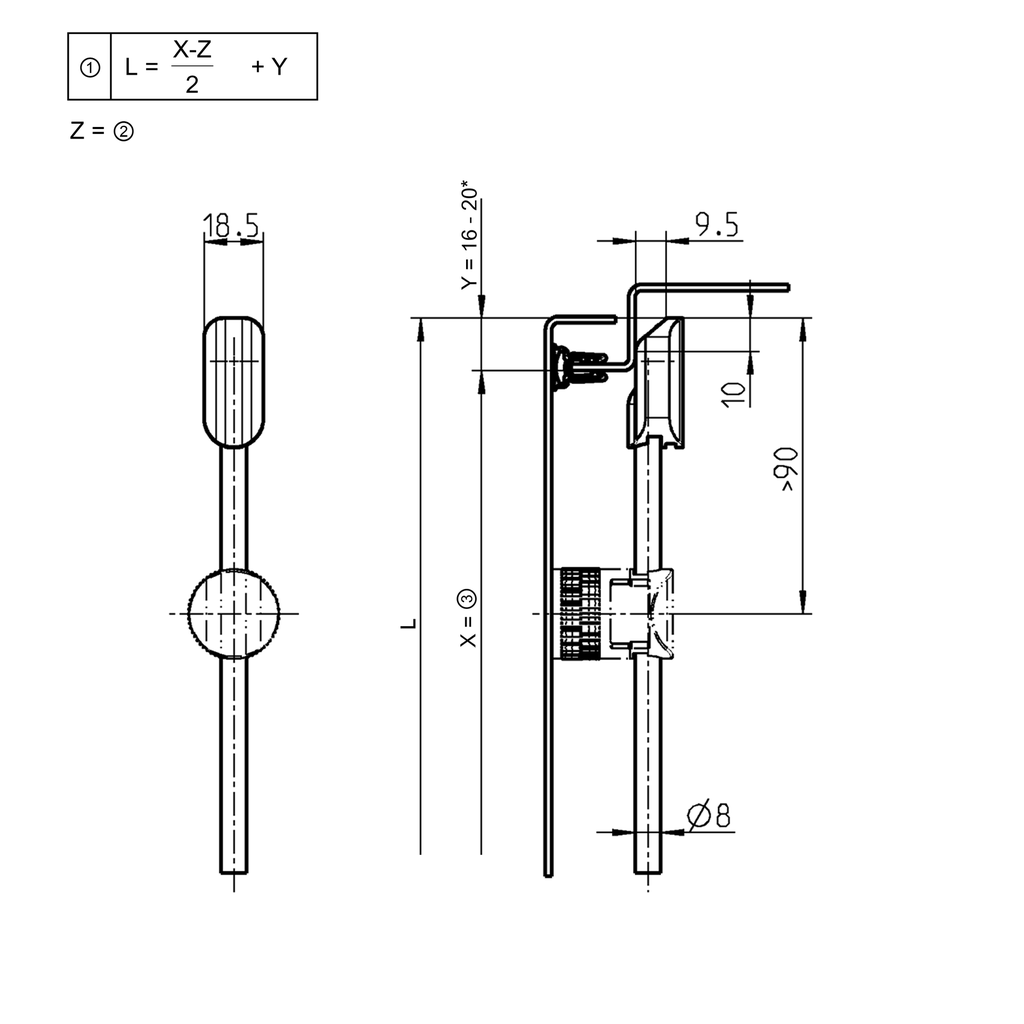
    ① = Calculation of the rod length L
    ② = Z = Rod control length ( e.g. dimension 400 on catalogue page 3YA-140 )
    Z = Cam gauge for bore holes for rod control (e.g. dimension 18 for 1107 or dimension 26 for 1000 on catalogue page 3YC-120 )
    ③ = Clear height
    * = Dimension Y depending on type of gasketing
    Round rod according to customer requirements on request
    Please indicate dimension L in the order
    Internal Reference: 1000-526-AA
    Barcode: 1000-000526-00000AA
    Product Type: Shoe
    Material: Polyamide GF
    Program: 1000
    Surface: black
    Catalog sheet: 3ZB-180
    Mounting Positions : Inside the sealing
    Dimension L, Variable: Yes
    No Specifications
    No Matching Products
    Here you can find the product data sheets and CAD files of this product