Anschraubscharnier
Anschraubscharnier
180° Scharnier, GD-Zn verchromt
180° Scharnier, GD-Zn verchromt

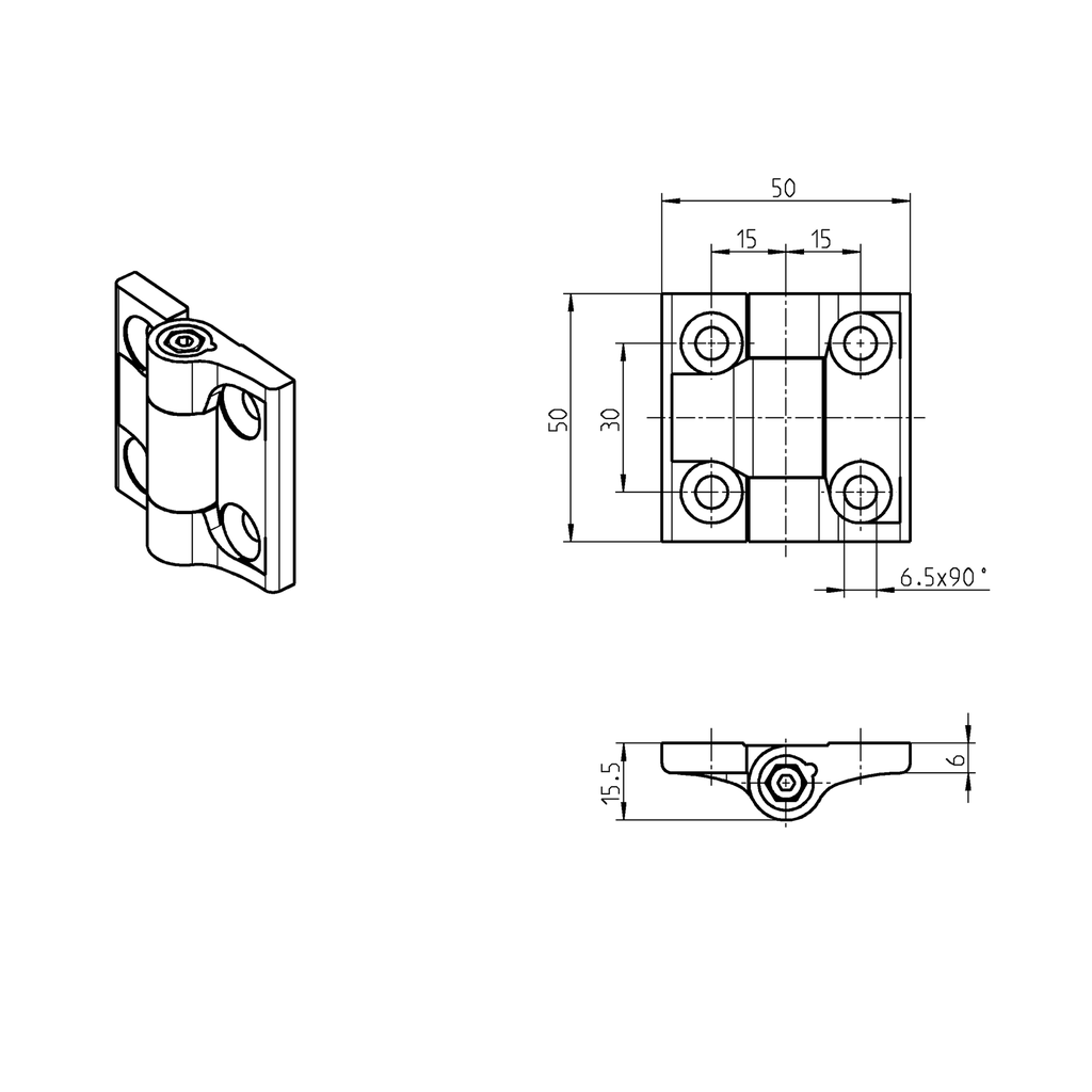
180° Drehmomentscharnier mit Einstellfunktion bis 4 Nm, GD-Zn schwarz gepulvert; 1056-U10-01

https://www.emka.com/products/1056-u10-01 https://www.emka.com/web/image/product.template/61708/image_1920?unique=da8bc72

Abmessung 50 x 50 mm


    Diese Kombination existiert nicht.

    Einzelschränke Reihenschränke mit Einzeltür Reihenschränke mit Doppeltür Links Rechts


    Produktvorteile:

    • einstellbares Drehmoment
    • konstantes Drehmoment über 180° Stellbereich
    • gleiches Drehmoment beim Öffnen und Schließen
    • Nachstellen des Drehmomentes kann erforderlich sein
    • austauschbar mit allen Scharnieren aus dem 1056 Programm mit gleichem Lochbild
    • kann je nach Einbausituation Türfeststeller, Deckelstützen oder Gasdruckfedern ersetzen

    Produkthinweis:

    Die Anzahl der Scharniere bei Klappen ist abhängig von der Größe und dem Gewicht der Klappe.

    ① = Türlänge
    ② = Türmasse
    ③ = Erdanziehung
    ④ = Drehmoment Scharnier
    ⑤ = Gesamtdrehmoment
    ⑥ = Anzahl der Scharniere
    ⑦ = Formel: Gesamtdrehmoment
    ⑧ = Formel: Anzahl der benötigten Scharniere
    ⑨ = Ergebnis:

    Interne Referenz: 1056-U10-01
    Barcode: 1056-u00010-0000001
    Produktart: Scharnier
    Programm: 1056
    Katalogblatt: 4B-185
    Material der Baugruppe : GD-Zn
    Oberfläche der Baugruppe: schwarz gepulvert
    Abkantung variabel: Ja
    Befestigungsart an der Tür: anschraubbar von außen
    Befestigungsart am Rahmen: anschraubbar von außen
    Drehmomentscharnier: Ja
    Lochbild in der Tür erforderlich: Bohrungen in der Tür
    Maximaler Anzugdrehmoment der Schraube: 0,75 Nm
    Maximaler Drehmoment: bis ~ 4 Nm
    Max. Öffnungswinkel: 180°
    Schrank-Art : Einzelschränke,Reihenschränke mit Einzeltür,Reihenschränke mit Doppeltür
    Senkung für Senkschrauben nach Norm: Senkung für alle gängigen Senkschrauben M6x...
    Tür-Position: innenliegend
    Türanschlag : Links,Rechts
    Unverlierbarer Stift: Ja
    No Specifications
    Alle Produkte anzeigen
    2D-Mutter
    Hier finden Sie die Produktdatenblätter und CAD-Dateien zu diesem Produkt